Dodaj produkty podając kody
Dodaj plik CSV
Wpisz kody produktów, które chcesz zbiorczo dodać do koszyka (po przecinku, ze spacją lub od nowej linijki).
Powtórzenie wielokrotnie kodu, doda ten towar tyle razy ile razy występuje.
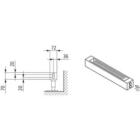
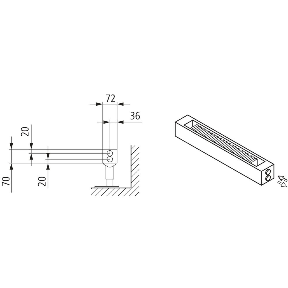
Charakteryzują je: krótki czas nagrzewania i precyzyjna regulacja temperatury. Wysokiej jakości urządzenia dostarczane są gotowe do montażu w opakowaniu ochronnym. Do wyboru z dekoracyjną osłoną górną lub bez.
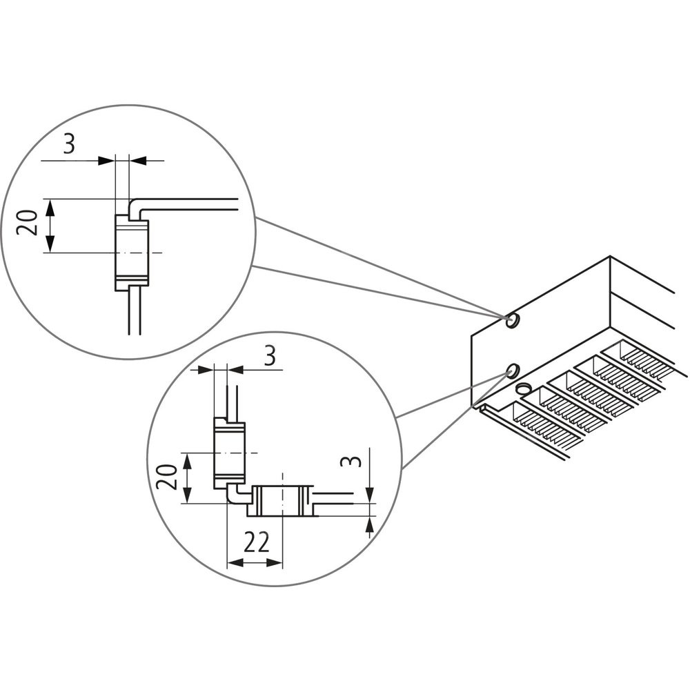
A przy tym łatwe w montażu – dzięki możliwości uniwersalnego podłączenia.
Marka
Kod IK
Symbol
KNN210213002U1K
Seria
Rodzaj towaru
Grzejniki klimakonwektorowe
Długość towaru w centymetrachWięcej
Długość towaru w centymetrach
310
Wysokość towaru w centymetrachWięcej
Wysokość towaru w centymetrach
22.5
Szerokość towaru w centymetrachWięcej
Szerokość towaru w centymetrach
9.7
Strona www producenta
www.kermi.pl
Zapytaj o produkt
Napisz swoją opinię
















