Dodaj produkty podając kody
Dodaj plik CSV
Wpisz kody produktów, które chcesz zbiorczo dodać do koszyka (po przecinku, ze spacją lub od nowej linijki).
Powtórzenie wielokrotnie kodu, doda ten towar tyle razy ile razy występuje.
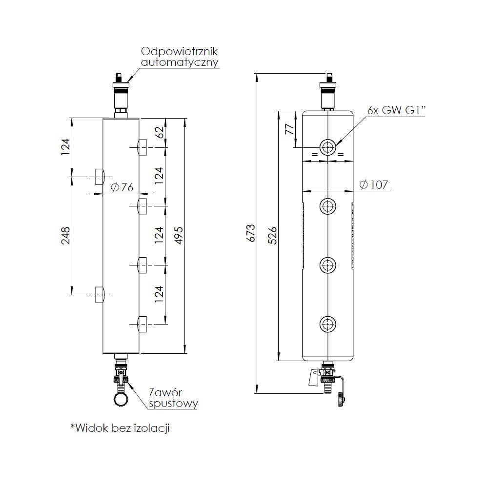
Sprzęgło hydrauliczne ocieplone BLH 850 z rozdzielaczem, 70 kW, 6x GW G1'', 2x GW G1/2'', odpowietrznik automatyczny, zawór spustowy
Stosowane w instalacjach grzewczych i chłodzących.
Montowane między źródłem, a instalacją.
Rozdziela hydraulicznie obieg źródła od obiegów po stronie instalacji.
Zapewnia płynną pracę instalacji po wyłączeniu części odbiorników lub zmianie parametrów pracy pomp obiegowych.
Pozwala odpowietrzyć część instalacji i usunąć wytrącone zanieczyszczenia.
Opis
Powłoka cynkowa z zewnątrz korpusu chroni przed korozją.
Dwuczęściowa izolacja z polipropylenu (EPP) z wytłoczeniem pod czujnik temperatury minimalizuje straty ciepła i umożliwia wsunięcie czujnika temp. pod izolację.
Odpowietrznik automatyczny usuwa powietrze wytrącone w sprzęgle.
Zawór spustowy KFE umożliwia pozbycie się wytrąconych zanieczyszczeń.
Pozwala podłączyć bezpośrednio 2 obiegi grzewcze / chłodnicze albo 2 źródła ciepła / chłodu.
Elementy dostawy
Odpowietrznik automatyczny z zaworem stopowym.
Zawór spustowy KFE.
Zapytaj o produkt
Napisz swoją opinię




















