Dodaj produkty podając kody
Dodaj plik CSV
Wpisz kody produktów, które chcesz zbiorczo dodać do koszyka (po przecinku, ze spacją lub od nowej linijki).
Powtórzenie wielokrotnie kodu, doda ten towar tyle razy ile razy występuje.
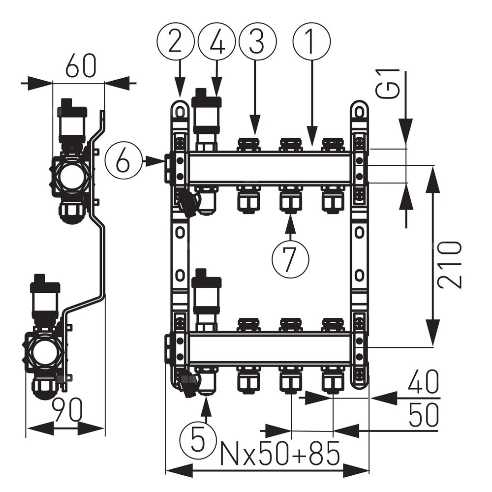
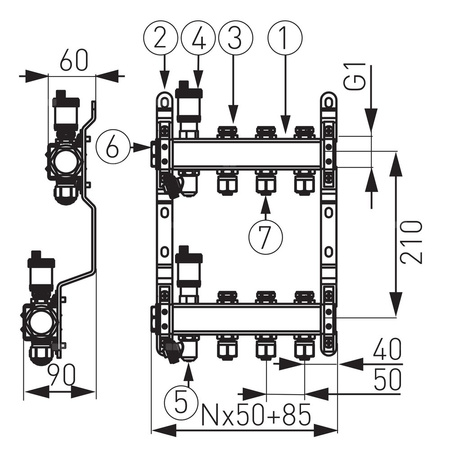
Rozdzielacz 4-drogowy (do systemów c.o. i c.w.u.) z zaworami odcinającymi obwody, ze złączkami, stal nierdzewna
Unikalne cechy produktu:
Charakterystyka:
Rozdzielacze są elementem systemu centralnego ogrzewania, który rozprowadza (rozdziela) czynnik grzewczy na poszczególne odcinki instalacji grzewczej.
Znajdują zastosowanie w instalacjach grzejnikowych ogrzewania i chłodzenia płaszczyznowego oraz układach mieszanych.
Umożliwiają precyzyjną regulację instalacji i niezawodną pracę całego systemu ogrzewania.
Zalety rozdzielaczy:
- PrecMarkaKod IKSymbolSN-RO04SSeriaRodzaj towaruRozdzielacze i sprzęgła hydrauliczneDługość towaru w centymetrachWięcejDługość towaru w centymetrach40Wysokość towaru w centymetrachWięcejWysokość towaru w centymetrach11Szerokość towaru w centymetrachWięcejSzerokość towaru w centymetrach36Strona www producentawww.ferro.plZapytaj o produktNapisz swoją opinię








