Dodaj produkty podając kody
Dodaj plik CSV
Wpisz kody produktów, które chcesz zbiorczo dodać do koszyka (po przecinku, ze spacją lub od nowej linijki).
Powtórzenie wielokrotnie kodu, doda ten towar tyle razy ile razy występuje.
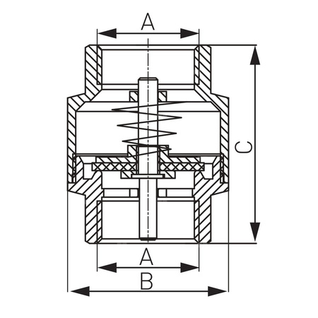
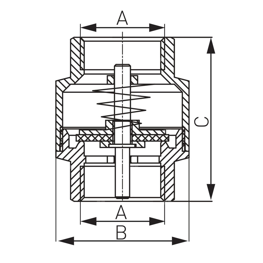
Zawór zwrotny FERRO z mosiężnym elementem zamykającym 2'' GW PN 16 max. 100'C
Unikalne cechy produktu:
Wytrzymały korpus z mosiądzu CW617N. Nickel free - powierzchnie kontaktu z czynnikiem nie są niklowane.
Dane techniczne:
- Ciśnienie nominalne: 10 bar
- Kod kreskowy: *W opakowanie z kodem kreskowym umożliwiającym sprzedaż detaliczną *E produkt na eurozawieszce z kodem kreskowym umożliwiającym sprzedaż detaliczną
- Materiał elementu zamykającego: mosiądz
- Materiał korpusu/materia
Marka
Kod IK
Symbol
ZZM6
Rodzaj towaru
Armatura regulacyjna
Maksymalna temperatura medium [°C]
100
Nominalna średnica wewnętrzna
2''
Rodzaj połączeń
Gwint wewnętrzny
Klasa ciśnienia urządzenia
PN 16
Długość towaru w centymetrachWięcej
Długość towaru w centymetrach
9.3
Wysokość towaru w centymetrachWięcej
Wysokość towaru w centymetrach
8.5
Szerokość towaru w centymetrachWięcej
Szerokość towaru w centymetrach
9.6
Strona www producenta
www.ferro.pl
Zapytaj o produkt
Napisz swoją opinię








