Dodaj produkty podając kody
Dodaj plik CSV
Wpisz kody produktów, które chcesz zbiorczo dodać do koszyka (po przecinku, ze spacją lub od nowej linijki).
Powtórzenie wielokrotnie kodu, doda ten towar tyle razy ile razy występuje.
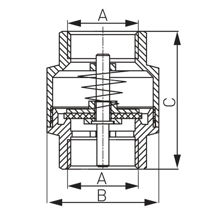
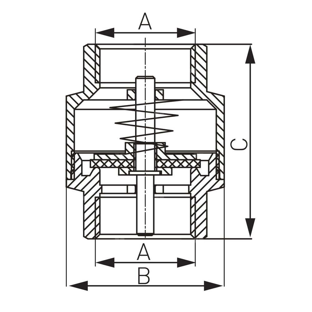
Zawór zwrotny FERRO z mosiężnym elementem zamykającym 2'' GW PN 16 max. 100'C
Unikalne cechy produktu:
Wytrzymały korpus z mosiądzu CW617N. Nickel free - powierzchnie kontaktu z czynnikiem nie są niklowane.
Dane techniczne:
- Ciśnienie nominalne: 10 bar
- Kod kreskowy: *W opakowanie z kodem kreskowym umożliwiającym sprzedaż detaliczną *E produkt na eurozawieszce z kodem kreskowym umożliwiającym sprzedaż detaliczną
- Materiał elementu zamykającego: mosiądz
- Materiał korpusu/materia
Zapytaj o produkt
Napisz swoją opinię








